2025-09-04
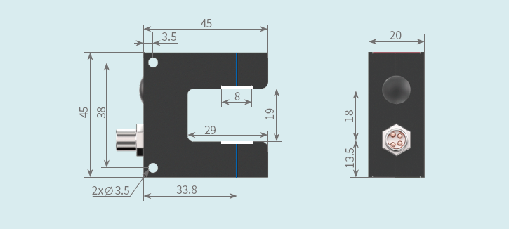
MIR10紅外檢邊傳感器是Techmach公司開發的高性能迷你型紅外線檢邊傳感器,其具有尺寸小巧、檢測精度高、性能穩定可靠、安裝方便、操作簡捷等特點。該傳感器可與Techmach公司研制的控制器、線性驅動器配套使用。帶環境補償功能的紅外檢邊傳感器,自動補償因溫度、濕度、灰塵及其它環境因素而引起的檢測誤差,無需手工操作,對卷材在垂直方向的振動和卷材抖動不敏感。適用于不透明的薄膜、膠片、紙張、無紡布、箔片、金屬片、極片等材料。


MIR10紅外檢邊傳感器是Techmach公司開發的高性能迷你型紅外線檢邊傳感器,其具有尺寸小巧、檢測精度高、性能穩定可靠、安裝方便、操作簡捷等特點。該傳感器可與Techmach公司研制的控制器、線性驅動器配套使用。帶環境補償功能的紅外檢邊傳感器,自動補償因溫度、濕度、灰塵及其它環境因素而引起的檢測誤差,無需手工操作,對卷材在垂直方向的振動和卷材抖動不敏感。適用于不透明的薄膜、膠片、紙張、無紡布、箔片、金屬片、極片等材料。

